DCDC 정전류 칩은 고정밀 전력 조정에서 어떻게 작동합니까?

2025-12-19


기사 요약

A DCDC 정전류 칩부하 또는 입력 전압 변동에 관계없이 안정적이고 제어 가능한 출력 전류를 제공하도록 설계된 현대 전력 관리 시스템의 핵심 구성 요소입니다. 이 기사에서는 DCDC 정전류 칩의 작동 방식에 대한 포괄적인 기술 개요를 제공하고, 주요 전기 매개변수를 검사하고, 실제 애플리케이션 시나리오를 탐색하고, 자주 묻는 기술 질문에 대한 답변을 제공합니다. 콘텐츠는 엔지니어링 의사 결정, 구성 요소 선택 및 장기적인 시스템 최적화를 지원하는 동시에 현재 검색 동작 및 전문적인 독서 습관에 맞춰 구성되었습니다.

AS6911SGA


목차


내용개요

  • 기본 작동 원리 및 내부 아키텍처
  • 전기 및 열 매개변수에 대한 자세한 설명
  • 산업, 자동차, 가전제품 애플리케이션
  • 일반적인 엔지니어링 문제를 해결하는 기술 FAQ
  • 향후 개발 동향 및 시스템 수준 통합

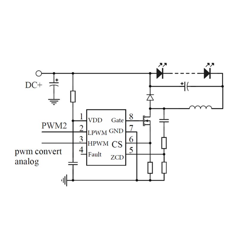
1. 전류를 조절하기 위해 DCDC 정전류 칩은 어떻게 설계됩니까?

DCDC 정전류 칩은 듀티 사이클, 스위칭 주파수 및 피드백 제어 루프를 동적으로 조정하여 고정 출력 전류를 유지하는 스위칭 모드 전력 관리 집적 회로입니다. 정전압 레귤레이터와 달리 기본 제어 변수는 전압이 아닌 전류이므로 이러한 유형의 칩은 LED, 레이저 다이오드, 배터리 충전 회로 및 정밀 센서와 같은 부하에 필수적입니다.

내부적으로 칩에는 고속 오류 증폭기, 전류 감지 비교기, 기준 전압 소스 및 전력 MOSFET 드라이버가 통합되어 있습니다. 부하를 통해 흐르는 전류는 내부 또는 외부 감지 저항기를 통해 샘플링됩니다. 이 감지된 신호는 기준 임계값과 비교되며 제어 로직은 라인 또는 부하 변화를 보상하기 위해 스위칭 동작을 조정합니다.

주요 설계 목표는 다양한 입력 조건에서의 전류 안정성입니다. 벅, 부스트 또는 벅-부스트 토폴로지로 작동함으로써 DCDC 정전류 칩은 효율성과 열 안전성을 유지하면서 넓은 입력 전압 범위를 지원할 수 있습니다.


2. 주요 매개변수는 DCDC 정전류 칩의 성능을 어떻게 정의합니까?

적절한 DCDC 정전류 칩을 선택하려면 전기, 열 및 제어 특성을 면밀히 평가해야 합니다. 이러한 매개변수는 시스템 신뢰성, 효율성 및 규제 표준 준수에 직접적인 영향을 미칩니다.

매개변수 일반적인 범위 기술적 중요성
입력 전압 범위 3V – 60V 배터리 팩, 어댑터 또는 산업용 버스와의 호환성을 정의합니다.
출력 전류 정확도 ±1% ~ ±5% 동적 부하 하에서 전류 조정의 정밀도를 결정합니다.
스위칭 주파수 100kHz~2MHz 효율성, EMI 성능 및 수동 부품 크기에 영향을 미칩니다.
능률 85% – 98% 열 방출 및 전력 손실에 직접적인 영향을 미칩니다.
열 보호 150°C – 170°C 차단 과부하 또는 냉각 부족으로 인한 장치 고장 방지

고급 장치에는 소프트 스타트 제어, PWM 조광 인터페이스, 아날로그 전류 조정 및 오류 진단과 같은 기능도 통합되어 있습니다. 이러한 기능은 시스템 수준 설계를 단순화하고 외부 회로의 필요성을 줄여줍니다.


DCDC 정전류 칩 - 일반적인 질문 및 답변

Q: DCDC 정전류 칩은 입력 전압이 변동할 때 어떻게 안정적인 출력을 유지합니까?

A: 칩은 피드백 루프를 통해 부하 전류를 지속적으로 모니터링하고 스위칭 듀티 사이클을 실시간으로 조정하여 조정된 전류 레벨을 변경하지 않고 입력 전압의 변화를 보상합니다.

Q: 고전류 DCDC 정전류 칩 애플리케이션에서 열은 어떻게 관리됩니까?

A: 열은 고효율 스위칭 토폴로지, 낮은 R을 통해 관리됩니다.DS(켜짐)열 방출을 개선하는 MOSFET, 열 차단 회로 및 최적화된 PCB 레이아웃.

Q: 시스템 설계에서 정전류 칩은 정전압 레귤레이터와 어떻게 다릅니까?

A: 정전류 칩은 전압 안정성보다 전류 정확성을 우선시하므로 작동 조건에 따라 전압이 달라질 수 있는 전류에 민감한 부하에 적합합니다.


3. DCDC 정전류 칩은 산업 전반에 어떻게 적용됩니까?

DCDC 정전류 칩은 유연성과 효율성으로 인해 여러 산업 분야에 널리 배포됩니다. 고체 조명 시스템에서는 균일한 밝기를 보장하고 LED 수명을 연장합니다. 자동차 전자 장치에서는 적응형 조명, 계기판 및 배터리 관리 하위 시스템을 지원합니다.

산업 자동화 시스템은 이러한 칩을 사용하여 예측 가능한 전류 동작이 필요한 센서, 액추에이터 및 광학 구성 요소를 구동합니다. 의료 기기는 신호 정확성과 환자 안전을 보장하기 위해 정전류 조절에 의존합니다. 가전제품은 특히 휴대용 장치에서 컴팩트한 통합과 낮은 전력 소비의 이점을 누리고 있습니다.

각 애플리케이션 시나리오에는 고유한 전기 및 환경 요구 사항이 적용되므로 적절한 보호 기능과 제어 인터페이스를 갖춘 칩을 선택하는 것이 중요합니다.


4. DCDC 정전류 칩 기술은 어떻게 발전할 것인가?

DCDC 정전류 칩 기술의 발전은 더 높은 효율성, 더 넓은 입력 전압 허용 오차 및 지능형 제어에 대한 수요 증가에 의해 주도됩니다. 미래 설계에서는 디지털 제어 루프, 적응형 전류 스케일링, 마이크로컨트롤러 및 통신 인터페이스와의 긴밀한 통합을 강조합니다.

GaN 및 SiC와 같은 광대역갭 반도체 소재는 더 높은 스위칭 주파수를 구현하고 전도 손실을 줄여 차세대 아키텍처에 영향을 미치고 있습니다. 또한 시스템 온 칩 통합은 신뢰성을 향상시키는 동시에 설치 공간을 줄여줍니다.

전력 시스템이 더욱 분산되고 지능화됨에 따라 정전류 조절은 에너지 효율성과 성능 최적화를 지원하는 기본 기능으로 남을 것입니다.


심천코킨텍(주)산업, 자동차, 첨단 전자 애플리케이션에 맞춘 고성능 DCDC 정전류 칩 솔루션 개발 및 공급에 중점을 두고 있습니다. 지속적인 엔지니어링 개선과 품질 중심 제조를 통해 회사는 안정적이고 확장 가능한 전력 관리 설계를 지원합니다.

기술 상담, 매개변수 맞춤화 또는 응용 분야별 권장 사항을 원하시면저희에게 연락주세요프로젝트 요구 사항과 장기적인 협업 기회를 논의합니다.

X
We use cookies to offer you a better browsing experience, analyze site traffic and personalize content. By using this site, you agree to our use of cookies. Privacy Policy
Reject Accept