최신 전력 전자 애플리케이션은 전력 장치의 변환 기술을 기반으로 하며 모든 전력 장치에는 적합한 게이트 드라이브 솔루션이 필요합니다. 사이의 다리로서...
고전력 밀도, 고전력 출력의 빠른 충전 요구 사항을 위해 Sillij는 전면 BOOST PFC와 후면 LLC 컨트롤러를 밀봉하여 주변 회로를 더욱 간결하게 만들고 비용을 절감하며 도움이 되는 고성능 PFC+LLC 조합 컨트롤러 SY5055를 출시했습니다. 전체 전력 솔루션의 전력 밀도를 향상시키는 것입니다.
소비자의 삶의 질이 향상됨에 따라 네트워크 원격 제어는 "과학 기술 감각"후광을 갖춘 스마트 가전 제품을 새로운 세대로 만듭니다.
현대 전자 시대에 ACDC 정전류 칩은 안정적이고 효율적인 에너지 변환이 요구되는 전원 장치에 없어서는 안 될 요소가 되었습니다. 이 칩은 교류(AC) 입력과 직류(DC) 출력 사이의 필수 링크 역할을 하여 전자 장치가 전압 변동에 관계없이 일정하고 조정된 전류 공급을 받도록 보장합니다. 이 기능은 성능 안정성을 유지하고 LED 조명, 전원 어댑터, 배터리 충전기, 산업 제어 시스템 및 통신 장비와 같은 장치의 수명을 연장하는 데 중요합니다.
코킨텍은 다양한 DC-DC 정전압 칩 전문 제조업체입니다. 오늘은 이러한 유형의 정전압 칩의 장점을 공유하겠습니다.
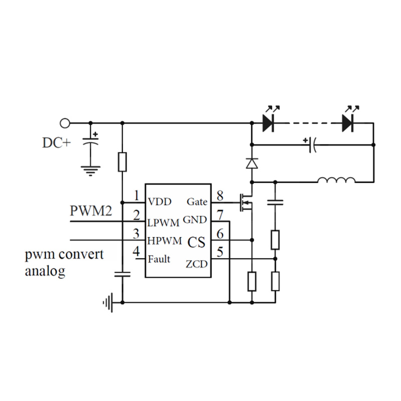
전자 제어 시나리오에 초점을 맞춘 핵심 구성요소인 KP86201의 핵심 장점은 제어 정확성과 작동 안정성에 반영됩니다. 적응 호환성 및 에너지 효율성 최적화는 복잡한 작업 조건에서 정확한 규제 요구 사항을 충족할 수 있을 뿐만 아니라 장비의 효율적인 작동을 위한 견고한 지원을 제공하는 핵심 특성입니다. 전기에 있어 서브컨트롤 분야는 무시할 수 없는 실용적인 가치를 보여준다.